
LME11.330C2|程序控制器|西门子SIEMENS
产品介绍:
型号表
|
LME11.330C2系列燃气燃烧器控制器
品牌:SIEMENS(西门子) 产地:德国 |
|
| 产品介绍 | |
|

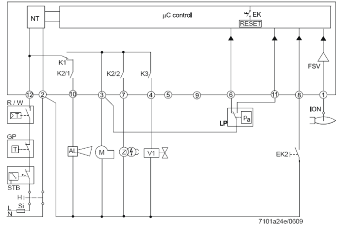
LME11接线图


友情提示:产品介绍均来源于该产品的原厂说明书,且仅限于对本产品的描述,不代表本公司观点,仅供参考。一切以实际使用为准。

