
GULLIVER BS3|BS3D|燃气燃烧器|利雅路Riello
产品介绍:
|
BS3|BS3D燃气燃烧器
品牌:RIELLO(利雅路) 产地:意大利 |
||||||||||||||||||||||||||
|
||||||||||||||||||||||||||
| 工作范围 | ||||||||||||||||||||||||||
|
|
||||||||||||||||||||||||||
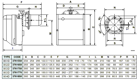
| 尺寸 | ||||||||||||||||||||||||||
|
更多详细资料请来电索取! |
||||||||||||||||||||||||||

